Артикул: F70101
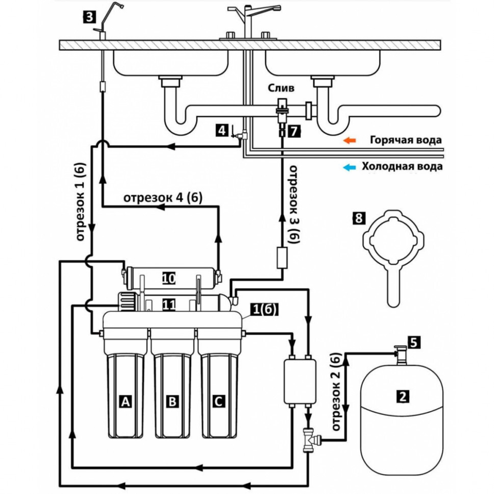
Система обратного осмоса серии "Онега" (с помпой)
Полный комплект:
• Система
• Ключ для снятия колб
• Питьевой поршневой кран
• Тройник, шаровой кран
• Накопительный бак для чистой воды
• Пластиковая подводка
• Инструкция по эксплуатации
Комплект из 5 сменных картриджей:
картридж полипропиленовый механической очистки PP F30101 (очистка от песка, окалины, ржавчины, механических частиц)
картридж с гранулированным активированным углем GAC F30601 (устранение органических и хлорорганических примесей)
картридж с прессованным активированным углем СТО F30501 (финишная очистка от привкусов, неприятных запахов, ионов тяжелых и токсичных металлов)
обратноосмотическая мембрана F30405-1 (удаление солей жесткости, бактерий, вирусов и других частиц по размеру больше молекул воды)
модуль кондиционирования — постугольный фильтр 50 мм F30906 (с гранулированным активированным углем, предназначен для кондиционирования воды и коррекции вкусовых показателей)
